【
广州众鑫自动化科技有限公司】专业供应T4A/5Nm~T4A/1KNm
德国HBM扭矩传感器,德国HBM-T4A扭矩传感器保证货期快捷,100%原装正品,努力打造中国传感器销售第一品牌商。德国HBM-T4A扭矩传感器是本公司的重点优势产品之一,拥有绝对优势价格,现货、原装、正品、可靠!保证满意价格质量!
我们郑重承诺:“三个月内质量问题随时无条件退换货,退还全部货款,不收任何费用”。质保1年,随时维修!
  产品简介
产品简介:
	德国HBM扭矩传感器 T4A系列相关型号:T4A/5Nm, T4A/10Nm, T4A/20Nm, T4A/50Nm, T4A/100Nm, T4A/200Nm, T4A/500Nm, T4A/1KNm
	T4A 扭矩传感器专门为生产过程监控和质量控制中进行静态和动态扭矩,转速和角速度测量而设计的.
·         额定扭矩5 N•m, 10 N•m, 20 N•m, 50 N•m, 100 N•m, 200 N•m, 500 N•m 和 1 kN•m
·         最大允许转速 4 000 rpm
·         任何方向进行扭矩测量
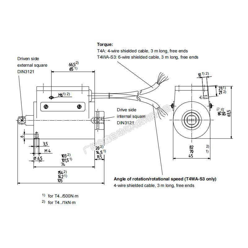
·         方型连接,安装更方便
·         紧凑,容易操作
T4A 扭矩传感器主要用于保证扭矩质量符合国家标准而进行的追溯性测量。
T4A 扭矩传感器的连接通过手动扳手或电动扳手来进行,而不能用气动扳手。
连接时,驱动端空间和输出端空间必须符合
DIN 3121标准。T4A 扭矩传感器采用滑环来传递测量信号,因此可以使用所有应变全桥工业测量放大器。
	产品结构尺寸:
 产品技术参数:
产品技术参数:
	
	
	 
	拓展阅读
	扭矩传感器和转矩传感器
HBM 作为全球首家数字扭矩传感器的制造商,产品包括 扭矩传感器 (扭力传感器,转矩传感器), 以及用来测量反作用力的 非转动式 扭矩传感器 (扭力传感器)以及用于扭矩传感器 (扭力传感器) 的各种联轴器 和测量仪表。HBM 拥有 滑环和非接触式信号传输 专利技术,额定测量范围从 0.1 N·m 到 2 MN·m, 额定转速最大到40,000 rpm。
HBM 扭矩传感器一直在业界享有盛誉。从1958 年开始, HBM 扭矩传感器(扭力传感器,转矩传感器)一直是行业标准,广泛应用于发动机和零部件测试台架,生产监控和实验室扭矩标定。
DKD (德国校准服务机构) 的首家标定实验室 1977 在 HBM 成立。1990年7月13日,HBM 被 DKD 授予进行扭矩标定,多年以来, HBM 一直是德国唯一一家可进行 扭矩标定 服务的实验室,并负责制定国家标准.
T12,T40FM,T40,T40B 是新一代数字扭矩传感器。其采用特殊模数转化方法,不仅带有错误识别功能,对电磁环境不敏感,并且具有更高的采样率和更高的精度。
以上是T4A/5Nm~T4A/1KNm德国HBM扭矩传感器详细信息,如果您对T4A/5Nm~T4A/1KNm德国HBM扭矩传感器的价格、货期、型号、库存有什么疑问,欢迎拨打18520271262陈工 获取T4A/5Nm~T4A/1KNm德国HBM扭矩传感器最新价格详情。