【
广州众鑫自动化科技有限公司】有卖德国NOVOTECHNIK TEX系列位移传感器厂家价格【中国正式★一级经销商】价格实在,质量保证,
德国NOVOTECHNIK TEX系列位移传感器询价,找广州众鑫提供详细服务信息。
广州众鑫国际传感器专家,测量控制系统专家。位移系列产品有:位移传感器,位移传感器,测力传感器,控制仪表有:位移控制器,测力控制器,变送器。位移控制系统:釜/罐/仓位移控制。饲料/化肥/食品配方控制。
德国NOVOTECHNIK TEX系列位移传感器价格绝对优势,供应原装正品货,对待客户细心负责!
德国NOVOTECHNIK位移传感器TEX系列产品参数:
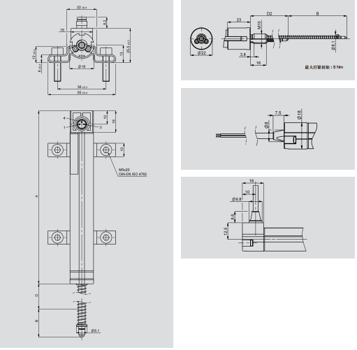
  德国NOVOTECHNIK位移传感器TEX系列产品尺寸:
德国NOVOTECHNIK位移传感器TEX系列产品尺寸:
  德国NOVOTECHNIK位移传感器TEX系列所有量程如下:
德国NOVOTECHNIK位移传感器TEX系列所有量程如下:
TEX 0010, TEX 0025, TEX 0050, TEX 0075, TEX 0100, TEX 0125, TEX 0150, TEX 0175, TEX 0200
 
拓展阅读
直线位移传感器概述
直线位移传感器主要用于控制、调节和测量系统中对位移和长度的直接精确测量,无拉杆设计使传感器电刷在传感器侧面,沿传感器长度方向移动,这样就避免了一般传感器常见的由于“泵”效应引起的传感器失效问题,并且量程可达3000豪米。新颖的球绞使由于不平或倾斜产生的扭力得到释放,传感器的承受拉力均匀。安装卡具可以进行微调。基于材料和工艺的关系,位移传感器的温度系数极低,坚固的结构和材料使传感器可以在恶劣的温度和震动条件下可靠工作。传感器测量原理简单,无源以及绝对值输出使得它不受外界的电磁影响,同时它不需要内置电源,能在断电时保持实时位移数据。
以上是【TEX位移传感器】TEX德国NOVOTECHNIK位移传感器详细信息,如果您对【TEX位移传感器】TEX德国NOVOTECHNIK位移传感器的价格、货期、型号、库存有什么疑问,欢迎拨打
18520271262陈工获取【TEX位移传感器】TEX_
德国NOVOTECHNIK位移传感器的最新价格详情。