搜索
热门搜索: 美国中克塞尔美国世铨美国特迪亚美国传力德国HBM梅特勒托利多
产品中心

    LCM375测力传感器_美国FUTEK力传感器

    产品介绍
                                                                                                                                                                  

          【广州众鑫自动化科技有限公司】专业供应美国FUTEK力传感器,(美国FUTEK力传感器LCM375力传感器)保证货期快捷,100%原装进口,努力打造中国传感器销售第一品牌商。美国FUTEK力传感器LCM375系列称重传感器完整型号:FSH04081, FSH04083,FSH04082, FSH04084.
     
    美国FUTEK_LCM375系列产品简介

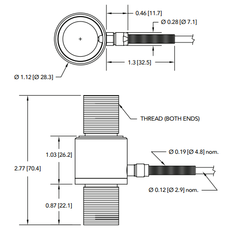
    型号:LCM375
    品牌:美国FUTEK
    国别:美国力传感器
    名称:拉压力传感器
    应用:万能拉力试验机
    量程:7.5klb,10klb
     
    美国FUTEK_LCM375系列安装尺寸


     
    美国FUTEK_LCM375系列完整型号
     
    ITEM KLB KN Thread Natural Frequency (kHz)
    FSH04081 7.5 33.4 3/4-16 20
    FSH04083 7.5 33.4 M16x2 20
    FSH04082 10 44.5 3/4-16 20
    FSH04084 10 44.5 M16x2 20
     
    拓展阅读
     
    1、从测量范围看

    选择湿度传感器首先要确定测量范围,除了气象、科研部门外,搞温、湿度测控的一般不需要全湿程(0-100%RH)测量。

    2、测量精度要精准

    测量精度是湿度传感器最重要的指标,每提高—个百分点,对湿度传感器来说就是上一个台阶,甚至是上一个档次。因为要达到不同的精度,其制造成本相差很 大,售价也相差甚远。所以使用者一定要量体裁衣,不宜盲目追求“高、精、尖”。如在不同温度下使用湿度传感器,其示值还要考虑温度漂移的影响。众所周知, 相对湿度是温度的函数,温度严重地影响着指定空间内的相对湿度。温度每变化0.1℃。将产生0.5%RH的湿度变化(误差)。使用场合如果难以做到恒温, 则提出过高的测湿精度是不合适的。多数情况下,如果没有精确的控温手段,或者被测空间是非密封的,±5%RH的精度就足够了。对于要求精确控制恒温、恒湿 的局部空间,或者需要随时跟踪记录湿度变化的场合,再选用±3%RH以上精度的湿度传感器。而精度高于±2%RH的要求恐怕连校准传感器的标准湿度发生器 也难以做到,更何况传感器自身了。相对湿度测量仪表,即使在20—25℃下,要达到2%RH的准确度仍是很困难的。通常产品资料中给出的特性是在常温 (20℃±10℃)和洁净的气体中测量的。

    3、要考虑时漂和温漂的问题

    在实际使用中,由于尘土、油污及有害气体的影响,使用时间一长,电子式湿度传器会产生老化,精度下降,电子式湿度传感器年漂移量一般都在±2%左右,甚至更高。一般情况下,生产厂商会标明1次标定的有效使用时间为1年或2年,到期需重新标定。

    4、其它注意事项

    湿度传感器是非密封性的,为保护测量的准确度和稳定性,应尽量避免在酸性、碱性及含有机溶剂的气氛中使用。也避免在粉尘较大的环境中使用。为正确反映欲 测空间的湿度,还应避免将传感器安放在离墙壁太近或空气不流通的死角处。如果被测的房间太大,就应放置多个传感器。有的湿度传感器对供电电源要求比较高, 否则将影响测量精度。或者传感器之间相互干扰,甚至无法工作。使用时应按照技术要求提供合适的、符合精度要求的供电电源。传感器需要进行远距离信号传输 时,要注意信号的衰减问题。当传输距离超过200m以上时,建议选用频率输出信号的湿度传感器。
     
     
            以上是LCM375测力传感器_美国FUTEK力传感器的产品信息,如果您对LCM375测力传感器_美国FUTEK力传感器的价格、货期、型号、库存有什么疑问,欢迎拨打18520271262 陈小姐获取LCM375力传感器_美国FUTEK力传感器的最新价格详情。
     
    产品推荐

    联系我们
    联系方式

    销售热线:

    陈小姐:18520271262

      陈小姐:18688494254

    黄先生:18688492451

      黄先生:18520471262

    上班时间:

    周一到周六9:00-18:00

    二维码
    扫一扫联系我们