搜索
热门搜索: 美国中克塞尔美国世铨美国特迪亚美国传力德国HBM梅特勒托利多
产品中心

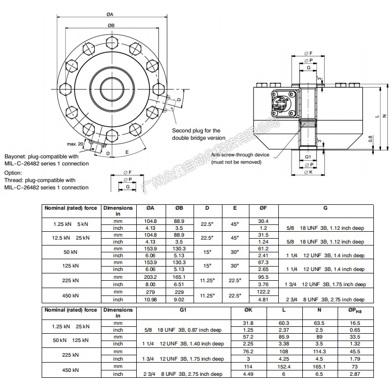
    【U10S力传感器】U10/1.25KN~U10/500KN_德国HBM力传感器

    产品介绍
                                                                                                                                                                              
         
            【广州众鑫自动化科技有限公司】专业供应德国HBM力传感器 _U10系列,【U10S力传感器】U10/1.25KN~U10/500KN_德国HBM力传感器保证货期快捷,100%原装进口,努力打造中国传感器销售第一品牌商。德国HBM力传感器 _U10系列相关型号: U10S/1.25 kN ,U10S/2.5 kN ,U10S/ 5 kN ,U10S/12.5 kN ,U10S/ 25 kN ,U10S/ 50 kN ,U10S/125 kN ,U10S/250 kN,U10S/500kN 。
     
    U10S系列力传感器产品简介

    品牌:德国HBM
    名称:力传感器
    精度等级:0.02到0.05
    量程:1.25Kn 到 2.5 MN
    型号:U10M(公制螺纹),U10S(英制螺纹)
    特点:抗振动, EMC 认证,结实,高精度
    易于使用,即插即测,节约时间,适应性高
    弯矩补偿:弯曲(例如由于施加的横向力产生)
    材质:防锈蚀材料,防护等级 IP68(带电缆选项)
    应用:具有多种用途,可用于测试台,材料测试机器,还可用于拉向和压向力测量。
     
    以上为德国HBM力传感器品牌_中国总代理【众鑫★自动化】郑重承诺
    原装正品出售,质量好,价格低廉,高品质、专业的沟通,快速的运输,最好的服务。给你最好的交易每一天!欢迎订购。注意:如果你需要大量或者没有找到你所需要的产品在我们的商店,请随时与我们联系。我们总是提供最好的质量和极具竞争力的价格给你。我们郑重承若,3个月内质量问题无条件退换货,不收任何费用,质保1年。


    U10S系列力传感器完整型号:
     
    U10S:英制螺纹
    U10S/1.25 kN ,U10S/2.5 kN ,U10S/ 5 kN ,U10S/12.5 kN ,U10S/ 25 kN ,U10S/ 50 kN ,U10S/125 kN ,U10S/250 kN,U10S/500Kn,1-U10S/1.25 kN ,1-U10S/2.5 kN ,1-U10S/ 5 kN ,1-U10S/12.5 kN ,1-U10S/ 25 kN ,1-U10S/ 50 kN ,1-U10S/125 kN ,1-U10S/250 kN,1-U10S/500kN
     
    U10M:公制螺纹
    U10M/1.25 kN ,U10M/2.5 kN ,U10M/ 5 kN ,U10M/12.5 kN ,U10M/ 25 kN ,U10M/ 50 kN ,U10M/125 kN ,U10M/250 kN,U10M/500Kn,1-U10M/1.25 kN ,1-U10M/2.5 kN ,1-U10M/ 5 kN ,1-U10M/12.5 kN ,1-U10M/ 25 kN ,1-U10M/ 50 kN ,1-U10M/125 kN ,1-U10M/250 kN,1-U10M/500kN
     
    拓展阅读
     
    压力传感器已经被广泛应用,很多环境中都需要应用到压力传感器,但是在日常中压力传感器应当怎样维护呢?日常的维护能保证压力传感器的寿命,同时也能减少生产事故,广州众鑫自动化科技有限公司积累了多年的行业经验,总结出以下8点:

    1、防止渣滓在导管内沉积和传感器与腐蚀性或过热的介质接触。 
    2、导压管应安装在温度波动小的地方。
    3、测量液体压力时,传感器的安装位置应避免液体的冲击(水锤现象),以免传感器过压损坏。
    4、测量气体压力时,取压口应开在流程管道顶端,并且传感器也应安装在流程管道上部,以便积累的液体容易注入流程管道中。
    5、测量液体压力时,取压口应开在流程管道的侧面,以避免沉积积渣。 
    6、冬季发生冰冻时,安装在室外的传感器必须采取防冻措施,避免引压口内的液体因结冰体积膨胀,导致传感器损失。
    7、接线时,将电缆穿过防水接头或绕性管并拧紧密封螺帽,以防雨水等通过电缆渗漏进变送器壳体内。
    8、测量蒸汽或其它高温介质时,需接加缓冲管(盘管)等冷凝器,不应使传感器的工作温度超过极限。
     
    了解以上几点压力传感器日常维护方法对我们是很有帮助的,这样才能确保我们的压力传感器用得更久,性能更加稳定。当然这只是日常维护的几点,还有其它的需要注意的,比如用了一年之后可以发回厂家进行校准,防止压力传感器出现偏移等。
     
           以上是【U10S力传感器】U10/1.25KN~U10/500KN_德国HBM力传感器详细信息,如果您对【U10S力传感器】U10/1.25KN~U10/500KN_德国HBM力传感器的价格、货期、型号、库存有什么疑问,欢迎拨打18520271262 陈小姐获取【U10S力传感器】U10/1.25KN~U10/500KN_德国HBM力传感器最新价格详情。
    产品推荐

    联系我们
    联系方式

    销售热线:

    陈小姐:18520271262

      陈小姐:18688494254

    黄先生:18688492451

      黄先生:18520471262

    上班时间:

    周一到周六9:00-18:00

    二维码
    扫一扫联系我们