搜索
热门搜索: 美国中克塞尔美国世铨美国特迪亚美国传力德国HBM梅特勒托利多
产品中心

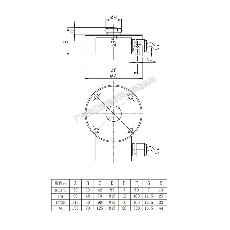
    【YBSC传感器】YBSC-0.1t~YBSC-50t_英国OAP称重传感器

    产品介绍
                                                                                                                                                                       

    广州众鑫自动化科技有限公司】专业供应YBSC-A系列英国OAP柱式称重传感器,(【YBSC传感器】YBSC-0.1t~YBSC-50t_英国OAP称重传感器)保证货期快捷,100%原装正品,10年行业经验专注高端高质传感器服务,提供自动化完整解决方案。YBSC-A系列英国OAP柱式称重传感器相关型号:YBSC 0.1t,YBSC 0.2t,YBSC 0.5t,YBSC 1t,YBSC 2t,YBSC 5t,YBSC 10t,YBSC 20t,YBSC 30t,YBSC 50t;YBSC-A-0.1t,YBSC-A-0.2t,YBSC-A-0.5t,YBSC-A-1t,YBSC-A-2t,YBSC-A-5t,YBSC-A-10t,YBSC-A-20t,YBSC-A-30t,YBSC-A-50t.

    YBSC-A系列称重传感器产品介绍

    产品名称:英国称重传感器
    品名:英国OAP称重传感器
    产品特性:小柱式称重传感器
    ★.采用优质合金钢材料
    ★.材质可选:合金钢,不锈钢
    ★.安装方便,高防护等级IP68
    ★.YBSC-A系列适用于料灌秤,各种压式测力场合.
    ★.量程可选:0.1t,0.2t,0.5t,1t,2t,5t,10t,20t,30t,50t.

    YBSC-A系列称重传感器技术参数

    TECHICAL PARAMETER丨4Wires Exc+(Red);Exc-(Black);Sig+(Green);Sig-(White)
    额定载荷: 0.1t,0.2t,0.5t,1t,2t,5t,10t,20t,30t,50t 绝缘电阻: ≥5000MΩ
    精度等级: C3 温度补偿范围: -10℃_+40℃
    灵敏度: 2.0±0.05mv/v(0.05-1t)
    2.0±0.02mv/v(2-50t)
    工作温度范围: -30_+70℃
    综合误差: ±0.05%F.S(0.05~1t) 安全负载: 150% F.S
    ±0.3%F.S(2~50t) 破坏负载: 180% F.S
    蠕变(30min): ±0.0.05%F.S 额定激励电压: 10-12V DC
    零点温度影响: ±0.005%F.S/10℃ 最大激励电压: 15VDC
    灵敏度温度影响: ±0.005%F.S/10℃ 密封等级: IP68
    输入阻抗: 400±20Ω 材料: 合金钢
    输出阻抗: 352±3Ω 电缆: 3m(0.05~1t)
    6m(2~5t)
    12m(10~50t)
     
    YBSC-A系列称重传感器完整型号

    YBSC-A-0.1t传感器,YBSC-A-1t传感器
    YBSC-A-0.2t传感器,YBSC-A-2t传感器
    YBSC-A-0.5t传感器,YBSC-A-5t传感器
    YBSC-A-10t传感器,YBSC-A-20t传感器
    YBSC-A-30t传感器,YBSC-A-50t传感器
     
    拓展阅读
     
    注意事项
    传感器在使用中尽量远离较高的热源。
    设计载入装置及安装时,应保证使用载入力的作用线与传感器的受力轴线重合,使倾斜负载与偏心负载的影响减至最小。
    为了防止化学腐蚀,安装时宜用凡土士林涂传感器外表面。
    传感器外壳,保护盖板、引线接头、均经密封处理,用户不得擅自打开封装或强拉引线,如发现有故障问题,应送生产厂家检修。
      
          以上【YBSC传感器】YBSC-0.1t~YBSC-50t_英国OAP称重传感器详细信息,如果您对【YBSC传感器】YBSC-0.1t~YBSC-50t_英国OAP称重传感器的价格、货期、型号、库存有什么疑问,欢迎拨打18520271262 获取【YBSC传感器】YBSC-0.1t~YBSC-50t_英国OAP称重传感器最新价格详情。
    产品推荐

    联系我们
    联系方式

    销售热线:

    陈小姐:18520271262

      陈小姐:18688494254

    黄先生:18688492451

      黄先生:18520471262

    上班时间:

    周一到周六9:00-18:00

    二维码
    扫一扫联系我们