搜索
热门搜索: 美国中克塞尔美国世铨美国特迪亚美国传力德国HBM梅特勒托利多
产品中心
    当前位置: 首页  > 产品中心  > 称重传感器  > S型称重传感器

    【MS-6传感器】MS-6-200kg~MS-6-7000kg_美国AC称重传感器☆代理

    产品介绍
                                                                                                                                                           
    广州众鑫自动化科技有限公司】专业供应美国AC称重传感器,【MS-6传感器】MS-6-200kg~MS-6-7000kg_美国AC称重传感器☆代理,保证货期快捷,100%原装正品,努力打造中国传感器销售第一品牌商。MS-6系列美国AC称重传感器相关型号: MS-6-200 kg,MS-6-250 kg,MS-6-300kg,MS-6-500kg,MS-6-700kg.

    MS-6系列产品介绍

    产品品牌:美国AC
    产品系列:MS-6
    产品类型:S型称重传感器
    材料选用:不锈钢焊接密封
    精度高、稳定性好、结构紧凑,安装方便
    应用领域:制造机电结合秤,吊钩秤,料斗秤
    量程可以选: 200 kg,250 kg,300kg,500kg,700kg.

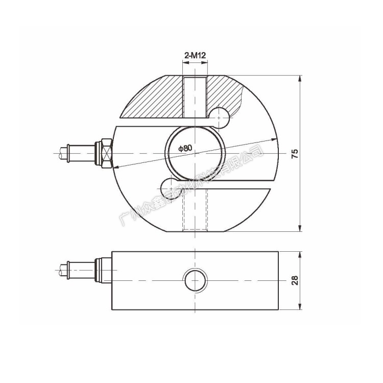
    MS-6系列外观尺寸



    MS-6系列技术数据

    MS-6主要技术指标 Specifications
    灵敏度 3±0.005 输入电阻 365±10
    非线性 ±0.02%FS 输出电阻 350±3
    滞后 ±0.02%FS 绝缘电阻 ≥5000MΩ
    重复性 ±0.01%FS 供电电压 10V(DC/AC)
    蠕变 ±0.02%FS/10℃ 温度补偿范围 -10℃~+50℃
    零点输出 ±1.00%FS 使用温度范围 -20℃~+60℃
    零点温度系数 ±0.02%FS/10℃ 允许过载载荷 120% FS
    额定输出稳定系数 ±0.02%FS/10℃ 连接电缆 5.4*6M
    连接方法 输入:红(+)黑(-) ; 输出:绿(+)白(-)

    MS-6系列完整型号

    MS-6-200KG称重传感器,不锈钢材质,量程200kg
    MS-6-250KG称重传感器,不锈钢材质,量程250kg
    MS-6-300KG称重传感器,不锈钢材质,量程300kg
    MS-6-500KG称重传感器,不锈钢材质,量程500kg
    MS-6-700KG称重传感器,不锈钢材质,量程700kg
     
    拓展阅读

    以上为美国AC_中国总代理【众鑫★自动化】郑重承诺
    原装正品出售,质量好,价格低廉,高品质、专业的沟通,快速的运输,最好的服务。给你最好的交易每一天!欢迎订购。注意:如果你需要大量或者没有找到你所需要的产品在我们的商店,请随时与我们联系。我们总是提供最好的质量和极具竞争力的价格给你。我们郑重承若,3个月内不满意时无条件退换货,不收任何费用,质保2年,随时提供免费维修。
     
    称重传感器性能指标
    一个称重系统的性能可以由“线性、滞后、重复性和蠕变”等指标来衡量。
    线性: 表示系统的实际输出和理论直线的一致程度。如图所示,当产生线性误差时,系统在空载和满载时的输出是正确的,但这两点 之间的输入-输出点和理想状态不一致。线性误差就是理论直线和实际输出曲线之间的最大差值。
    滞后: 表示系统在加载和卸载过程中输入-输出曲线不重合的程度。
    重复性: 表示系统在加载或卸载过程中对于同一重量连续几次称重输出的不一致程度。通常表示为系统在相同加载情况下最小输出和最大输出之间的差值所占总输出的百分比。
    蠕变: 表示系统在一定温度下承受一恒定重量,由于传感器弹性体材料机械形变使输出随时间而变化的特性。
     
           以上是【MS-6传感器】MS-6-200kg~MS-6-7000kg_美国AC称重传感器☆代理详细信息,如果您对【MS-6传感器】MS-6-200kg~MS-6-7000kg_美国AC称重传感器☆代理的价格、货期、型号、库存有什么疑问,欢迎拨打18520271262陈工获取【MS-6传感器】MS-6-200kg~MS-6-7000kg_美国AC称重传感器☆代理的最新价格详情。
    产品推荐

    联系我们
    联系方式

    销售热线:

    陈小姐:18520271262

      陈小姐:18688494254

    黄先生:18688492451

      黄先生:18520471262

    上班时间:

    周一到周六9:00-18:00

    二维码
    扫一扫联系我们