搜索
热门搜索: 美国中克塞尔美国世铨美国特迪亚美国传力德国HBM梅特勒托利多
搜索
热门搜索: 美国中克塞尔美国世铨美国特迪亚美国传力德国HBM梅特勒托利多
产品中心

    BM8H-C3-2T-6B称重传感器,美国ZEMIC品牌BM8H-2T传感器

    产品介绍

    一、BM8H-C3-2T-6B称重传感器产品介绍

    产品品牌:ZEMIC
    产品系列:BM8H
    产品类型:悬臂梁式称重传感器
    产品精度:C3
    产品量程:2T
    线缆长度:6m
    产品特点:
    (1)不锈钢材质,单剪梁结构,焊接密封, 压向承载 (BM8H)。
    (2)合金钢材质,镀镍,单剪梁结构,胶封, 压向承载 (H8H)。
    (3)BM8H 防护等级 IP68;H8H 防护等级 IP67。
    (4)适用于地磅、汽检线、平台秤、料斗 秤及各类电子称重设备。
    (5)OIML 认证
    (6)PTB 认证
    (7)NTEP 认证


    二、BM8H称重传感器相关型号

    BM8H-C3-250kg-3B
    BM8H-C3-500kg-3B
    BM8H-C3-1T-3B
    BM8H-C3-2T-6B
    BM8H-C3-2.5T-6B
    BM8H-C3-3T-6B
    BM8H-C3-5T-6B


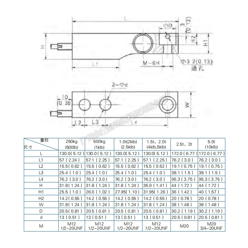
    三、BM8H-C3-2T-6B称重传感器产品尺寸

    四、BM8H-C3-2T-6B称重传感器技术参数


    五、BM8H-C3-2T-6B称重传感器产品图片






    广州众鑫自动化科技有限公司重点推出以下品牌产品,确保全新原装正品,价优,欢迎新老客户咨询!


    ★ 美国中克塞尔:称重传感器 -- SLZX,SLBH,SLBC,SBSE,LZXD,LZX13,LZX10,DZXL,BHxA等系列
    ★ 美国中克塞尔:称重仪表 -- ZM02,ZXM-P1,ZXM06,DZM-X1,DZM-MINI,DZX7702X等系列
    ★ 美国中克塞尔:称重模块 -- SWB MK,UW MK,CW MK,SBT MK,SBS ME等系列
     
    ★ 德国HBM:称重传感器-- Z6F,C16A,RTN,HLCB1, PW2D, PW6D,PW2C,PW6K,PW6C,PW10A,PW12C,PW16A,PW22,S40A,C2等系列
    ★ 德国HBM:数字传感器-- C16I,FIT5AEB3,FIT7A
    ★ 德国HBM:扭矩/力传感器 -- T40B,T22,T5,U9C,C9C,S9M,U2B,S2M等系列
    ★ 德国HBM:称重仪表/变送器 -- WE2111,RM4220, BM40,AE101, AE301,EM201等系列
     
    ★ 美国世铨celtron:传感器 -- STC,HBB,LPS,LOC,PSD,LCD,MBB,SQB等系列
    ★ 特迪亚Tedea-huntleigh: --3410,616,355,1015,1040,1022,1260,120,1241,240等系列
    ★ 美国传力Transcell :传感器-- BSS,BSH,DBSL,SBST,CR,SBS,BAB等系列
     
    ★ 梅特勒托利多:称重传感器-- TSC,TSB,MTB,GD,SLB415,SLB215,MT1022,MT1260,MT1241,SB,SBS,SBH等系列
    ★ METTLER TOLEDO:数字传感器—GDD,SLC720,0760,PDX,SLC820等系列
    ★ 梅特勒托利多:控制仪表 -- IND331,IND245,IND320L,IND230,IND560,B520,IND110,WM0800,AJB等系列

    产品推荐

    联系我们
    联系方式

    销售热线:

    陈小姐:18520271262

      陈小姐:18688494254

    黄先生:18688492451

      黄先生:18520471262

    上班时间:

    周一到周六9:00-18:00

    二维码
    扫一扫联系我们