搜索
热门搜索: 美国中克塞尔美国世铨美国特迪亚美国传力德国HBM梅特勒托利多
产品中心

    PST-2T称重传感器,美国MKcells品牌PST-2T称重传感器

    产品介绍

    一、PST-2T称重传感器产品介绍

    产品品牌:美国MKcells
    产品系列:PST
    产品类型:称重传感器
    产品量程:2T
    产品特点:
    (1)S型称重传感器
    (2)密封等级IL66(20kg~1t),IL68(1.5~7.5t)
    (3)精度等级0.03
    (4)材质为合金钢/不锈钢
    (5)电缆长度2.6m(20kg~1t),3m(1.5~7.5t)

    应用范围:
    (1)吊钩秤
    (2)配料秤
    (3)包装秤
    (4)机电结合秤
    (5)专用测力装置


    二、美国MKcells品牌PST系列产品型号

    PST-20kg
    PST-30kg
    PST-50kg
    PST-75kg
    PST-100kg
    PST-150kg
    PST-200kg
    PST-250kg
    PST-300kg
    PST-500kg
    PST-700kg
    PST-750kg
    PST-1t
    PST-1.5t
    PST-2t
    PST-3t
    PST-5t
    PST-7.5t


    三、PST-2T称重传感器产品参数

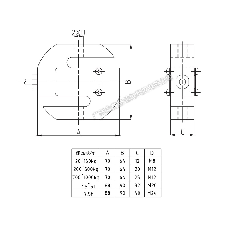
    四、PST-2T称重传感器产品尺寸

    五、PST-2T称重传感器产品图片




    广州众鑫自动化科技有限公司重点推出以下品牌产品,确保全新原装正品,价优,欢迎新老客户咨询!


    ★ 美国中克塞尔:称重传感器 -- SLZX,SLBH,SLBC,SBSE,LZXD,LZX13,LZX10,DZXL,BHxA等系列
    ★ 美国中克塞尔:称重仪表 -- ZM02,ZXM-P1,ZXM06,DZM-X1,DZM-MINI,DZX7702X等系列
    ★ 美国中克塞尔:称重模块 -- SWB MK,UW MK,CW MK,SBT MK,SBS ME等系列
     
    ★ 德国HBM:称重传感器-- Z6F,C16A,RTN,HLCB1, PW2D, PW6D,PW2C,PW6K,PW6C,PW10A,PW12C,PW16A,PW22,S40A,C2等系列
    ★ 德国HBM:数字传感器-- C16I,FIT5AEB3,FIT7A
    ★ 德国HBM:扭矩/力传感器 -- T40B,T22,T5,U9C,C9C,S9M,U2B,S2M等系列
    ★ 德国HBM:称重仪表/变送器 -- WE2111,RM4220, BM40,AE101, AE301,EM201等系列
     
    ★ 美国世铨celtron:传感器 -- STC,HBB,LPS,LOC,PSD,LCD,MBB,SQB等系列
    ★ 特迪亚Tedea-huntleigh: --3410,616,355,1015,1040,1022,1260,120,1241,240等系列
    ★ 美国传力Transcell :传感器-- BSS,BSH,DBSL,SBST,CR,SBS,BAB等系列
     
    ★ 梅特勒托利多:称重传感器-- TSC,TSB,MTB,GD,SLB415,SLB215,MT1022,MT1260,MT1241,SB,SBS,SBH等系列
    ★ METTLER TOLEDO:数字传感器—GDD,SLC720,0760,PDX,SLC820等系列
    ★ 梅特勒托利多:控制仪表 -- IND331,IND245,IND320L,IND230,IND560,B520,IND110,WM0800,AJB等系列





    产品推荐

    联系我们
    联系方式

    销售热线:

    陈小姐:18520271262

      陈小姐:18688494254

    黄先生:18688492451

      黄先生:18520471262

    上班时间:

    周一到周六9:00-18:00

    二维码
    扫一扫联系我们