【
广州众鑫自动化科技有限公司】专业供应宁波柯力 1- QSMC-H系列称重传感器,【QSMC-H传感器】1-QSMC-H-50t~QSMC-H-200t_宁波柯力称重传感器保证货期快捷,100%原装进口,努力打造中国传感器销售第一品牌商。宁波柯力 1-QSMC-H系列
称重传感器相关型号: 1- QSMC-H-50t, 1- QSMC-H-100t, 1- QSMC-H-150t, 1- QSMC-H-200t
宁波柯力 1-QSMC-H系列产品介绍
产品品牌:
宁波柯力称重传感器
产品特点:
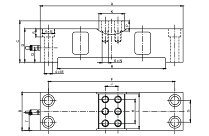
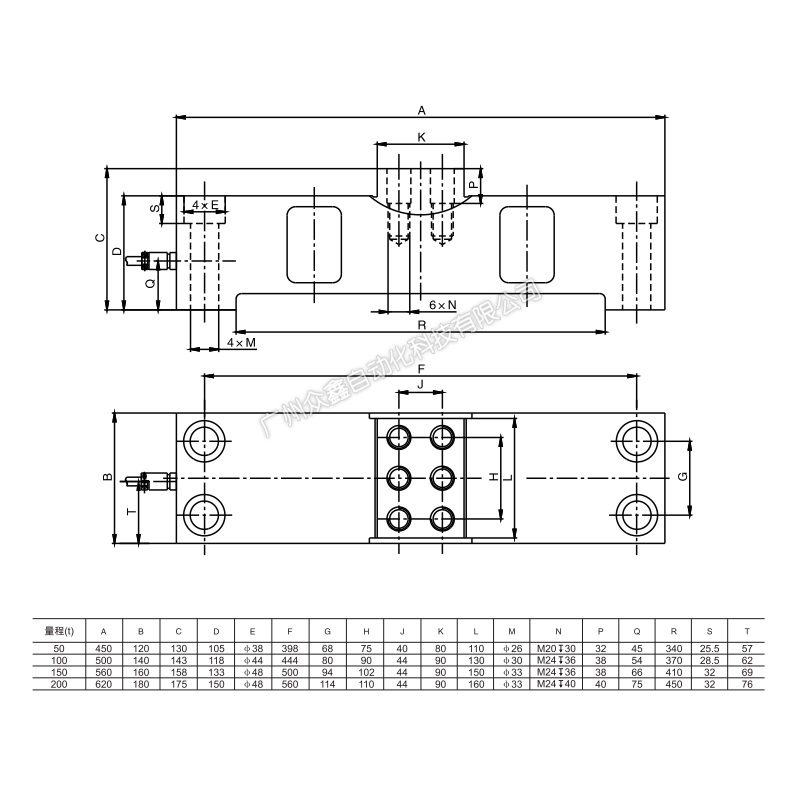
宁波柯力 1-QSMC-H系列安装尺寸

宁波柯力 1-QSMC-H系列技术数据

拓展阅读
单点式称重传感器的由来
在1979年第一届国际工业称重与测力展览会的讨论中,在传感器的名词术语中出现了一个新名词:“单点”式力传感,最近一代的零售秤里并不包含支承上部衡安称重软件平台的任何辅助挠曲件,平台是刚性地固定于中心传感器的。设计这类单点式力传感器,是基于平行四边形原则,但要为貼应变片提供一个附加的中心十字梁,以便来完成平行四边形顶部件与底部件中的测量梁和挠曲件的任务。其优点是应变片离开了由偏心加荷而引起的有扭曲效应的位置,同时增加了结构的刚性。这种力传感器在制造厂要经受偏心加荷试验。在半径为200亳米的范围内,以不同方向施加传感器极限负荷的1/3负荷。毎个传感器必须在中心读数值的±1/3000以内工作,一种典型的设计。在力传感器方面另一个引人注目的新消息是陀螺原理的推广应用,陀螺测力系统利用了陀螵的专有特性,使它能够作为精密、线性而复现性优良的一种力传感器,对这种力传感器的抗滞后、抗漂移及抗温度效应进行研究后,陀螺测力系统能以很高的抗干扰性将直接数字信号传输到显示单元。这些特性使它与恶劣环境条件完全无关。陀螺的转子以一不变的速度自转,转子的水平轴安装在万向支架里。有一个活节吊挂着外万向支架,此支架又承挂着陀螵下边的可转杠杆的一端。
以上是【QSMC-H传感器】1-QSMC-H-50t~QSMC-H-200t _宁波柯力称重传感器详细信息,如果您对【QSMC-H传感器】1-QSMC-H-50t~QSMC-H-200t _宁波柯力称重传感器的价格、货期、型号、库存有什么疑问,欢迎拨打
18520271262陈工获取【QSMC-H传感器】1-QSMC-H-50t~QSMC-H-200t _宁波柯力称重传感器的最新价格详情。