搜索
热门搜索: 美国中克塞尔美国世铨美国特迪亚美国传力德国HBM梅特勒托利多
产品中心

    CC-500L传感器,韩国CAS凯士 CC-500kgf 称重传感器

    产品介绍

    一、韩国凯士CAS品牌 CC-500L称重传感器产品介绍

    产品品牌:韩国凯士CAS
    产品系列:CC
    产品类型:柱式称重传感器
    韩国凯士代理商:广州众鑫自动化科技有限公司
    产品量程:20kgf,50kgf,100kgf,200kgf,300kgf,500kgf,1K,2K,3K,5K,10K,20K
    产品介绍:CC是一款钢制柱式传感器。封闭压缩型设计适用于灌装秤, 筒仓秤等严酷的工业应用领域。
    产品特点:
    (1)压缩型
    (2)高精度数字输出
    (3)按照IP67等级设计
    产品选配:
    (1)球型配件
    (2)选配板 (适用于DSB模拟款)
    应用范围:
    (1)罐装秤, 漏斗秤
    (2)汽车衡

    二、韩国凯士CAS品牌 CC称重传感器全部型号

    CC-20L
    CC-50L
    CC-100L
    CC-200L
    CC-300L
    CC-500L
    CC-1T
    CC-2T
    CC-3T
    CC-5T
    CC-10T
    CC-20T

    三、韩国凯士CAS品牌 CC称重传感器图片

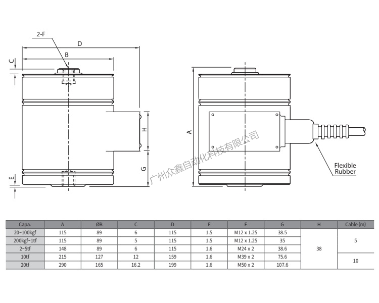
    四、韩国凯士CAS品牌 CC-500L称重传感器产品尺寸

    五、韩国凯士CAS品牌 CC-500L称重传感器技术参数


    产品推荐

    联系我们
    联系方式

    销售热线:

    陈小姐:18520271262

      陈小姐:18688494254

    黄先生:18688492451

      黄先生:18520471262

    上班时间:

    周一到周六9:00-18:00

    二维码
    扫一扫联系我们