一、F60X100 C6 10e 6-W TR产品介绍
产品品牌:法国世感Scaime
产品类型:波纹管称重传感器
产品系列:F60X-6W
产品量程:100kg
产品精度:C6
产品特点:
不锈钢结构,全密封焊接 IP68
适用于各种高精度工业称重场合
精度高达6 000d OIML
选配高性能项
二、F60X系列型号
C6精度:
F60X10 C6 10e 6-W TR
F60X20 C6 10e 6-W TR
F60X50 C6 10e 6-W TR
F60X100 C6 10e 6-W TR
F60X200 C6 10e 6-W TR
F60X300 C6 10e 6-W TR
F60X500 C6 10e 6-W TR
C3精度:
F60X10 C3 10e 6-W TR
F60X20 C3 10e 6-W TR
F60X50 C3 10e 6-W TR
F60X100 C3 10e 6-W TR
F60X200 C3 10e 6-W TR
F60X300 C3 10e 6-W TR
F60X500 C3 10e 6-W TR
三、法国世感Scaime品牌 F60X称重传感器图片





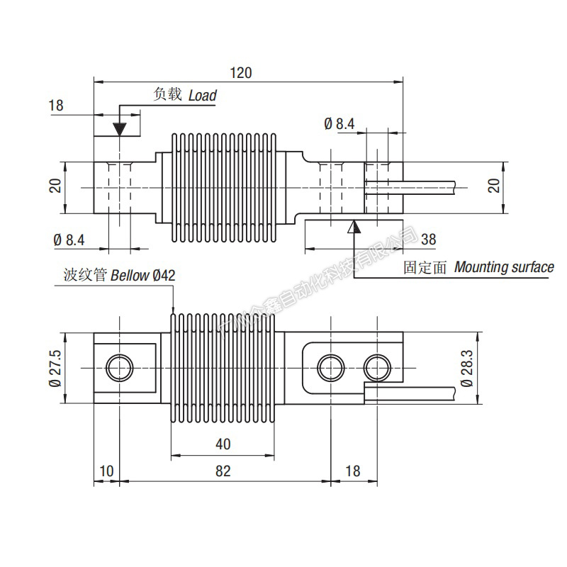
四、F60X100 C6 10e 6-W TR产品尺寸

五、F60X100 C6 10e 6-W TR技术参数
