一、AG100 C3 SH 5e U产品介绍
产品品牌:法国世感Scaime
产品类型:称重传感器,单点式称重传感器
产品系列:AG
产品量程:100kg
产品特点:
(1)铝合金材质,IP65防护等级
(2)认证精度可达 6 000d OIML R60和5 000d NTEP
(3)偏载补偿可达400x400mm
(4)专为单点式称重或配料/定量设备设计
二、AG系列型号
进口型号:
AG5 C3 SH 5e U
AG10 C3 SH 5e U
AG15 C3 SH 5e U
AG20 C3 SH 5e U
AG30 C3 SH 5e U
AG50 C3 SH 5e U
AG75 C3 SH 5e U
AG100 C3 SH 5e U
常规型号:
AG5 C3 SH 10e F TR
AG10 C3 SH 10e F TR
AG15 C3 SH 10e F TR
AG20 C3 SH 10e F TR
AG30 C3 SH 10e F TR
AG50 C3 SH 10e F TR
AG75 C3 SH 10e F TR
AG100 C3 SH 10e F TR
AG18 C6 SH 18e
AG36 C6 SH 18e
AG50 C6 SH 10e
AG75 C6 SH 10e
AG100 C6 SH 10e
三、法国世感Scaime品牌 AG称重传感器图片






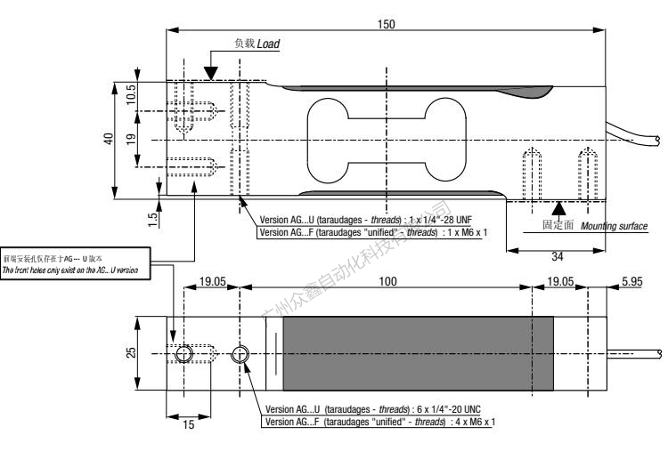
四、AG100 C3 SH 5e U产品尺寸

五、AG100 C3 SH 5e U技术参数

广州众鑫自动化科技有限公司重点推出以下品牌产品,确保全新原装正品,价优,欢迎新老客户咨询!
★ 德国HBM:称重传感器-- Z6F,C16A,RTN,HLCB1, PW2D, PW6D,PW2C,PW6K,PW6C,PW10A,PW12C,PW16A,PW22,S40A,C2等系列
★ 德国HBM:数字传感器-- C16I,FIT5AEB3,FIT7A
★ 德国HBM:扭矩/力传感器 -- T40B,T22,T5,U9C,C9C,S9M,U2B,S2M等系列
★ 德国HBM:称重仪表/变送器 -- WE2111,RM4220, BM40,AE101, AE301,EM201等系列
★ 美国世铨celtron:传感器 -- STC,HBB,LPS,LOC,PSD,LCD,MBB,SQB等系列
★ 特迪亚Tedea-huntleigh: --3410,616,355,1015,1040,1022,1260,120,1241,240等系列
★ 美国传力Transcell :传感器-- BSS,BSH,DBSL,SBST,CR,SBS,BAB等系列
★ 梅特勒托利多:称重传感器-- TSC,TSB,MTB,GD,SLB415,SLB215,MT1022,MT1260,MT1241,SB,SBS,SBH等系列
★ METTLER TOLEDO:数字传感器—GDD,SLC720,0760,PDX,SLC820等系列
★ 梅特勒托利多:控制仪表 -- IND331,IND245,IND320L,IND230,IND560,B520,IND110,WM0800,AJB等系列