search
top search: ZXSCELLAmerican CeltronTedea, USAAmerican TranscellGerman HBMMettler Toledo
product core
    current location: home  > Product Center  > Tension sensor

    KISD-6/200KN sensor, American BLH KISD-6-200KN tension sensor

    product details
    Guangzhou Zhongxin Automation Technology Co., Ltd】SoldBLH in the United StatesThe manufacturer's price for the KISD-6 series of sensors is substantial and the quality is guaranteed,United StatesBLH KISD-6Series sensorsMake an inquiry and provide detailed service information to Guangzhou Zhongxin.
    Guangzhou Zhongxin International Sensor Expert and Measurement Control System Expert. The displacement series products include sensors, sensors, force sensors, and control instruments such as displacement controllers, force controllers, and transmitters. Displacement control system: kettle/tank/silo displacement control. Feed/fertilizer/food formula control.
    The BLH KISD-6 series sensors in the United States have an absolute advantage in price, providing original and genuine products, and treating customers with care and responsibility!
    United StatesBLHsensorKISD-6Series product parameters:
     
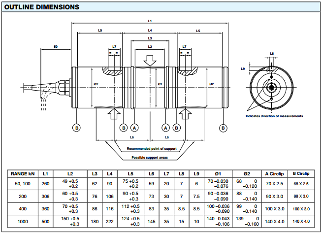
    United StatesBLHsensorKISD-6Series product size:
     
    United StatesBLHsensorKISD-6All ranges of the series are as follows:
    KISD-6/50KN,KISD-6/100KN, KISD-6/200KN, KISD-6/400KN, KISD-6/1000KN
     Extended Reading
    Load CellHow to implement the development strategy of "supply side" reform in the industry, and how to deeply integrate information technology and manufacturing technology to achieve digital, networked, and intelligent design and manufacturing, are issues that larger enterprises in the industry must face. In recent years, three-dimensional digital design and manufacturing capabilities have become the core of competition among domestic and foreign enterprises, and are the fulcrum and breakthrough point for achieving the transformation of enterprise research and development capabilities. This change with the nature of a wind vane should be highly valued by weighing sensor enterprises.
    Although the principle and manufacturing process of strain gauge weighing sensors determine that they cannot be produced in large quantities on automated, intelligent and seamless production lines like machine components, the structural design and manufacturing process of weighing sensors should also be upgraded using internet thinking to make them as close as possible to digital, intelligent or partially digital, intelligent production.
    The above is the detailed information of the KISD-6 sensor and the KISD-6 BLH sensor in the United States. If you have any questions about the price, delivery time, model, or inventory of the KISD-6 sensor and the KISD-6 BLH sensor in the United States, please feel free to call18520271262Chen GongObtain [KISD-6 sensor] KISD-6_ Latest price details for BLH sensors in the United States.
     
     

    product recommendation

    online service
    contact information

    Sales contact information:


    Miss Chen:

    sales@zhongxintmt.com

      18520271262


    Mr. Huang:

    huanghao@zhongxintmt.com

      18688492451


    WeChat
    Scan and contact us
    Online Service